槽钢
槽钢是截面为凹槽形的长条钢材。截面形状为槽形的型钢。

槽钢基本介绍
槽钢属建造用和机械用碳素结构钢,是复杂断面的型钢钢材,槽钢断面形状为凹槽形。槽钢主要用于建筑结构、幕墙工程、机械设备和车辆制造等。在使用中要求其具有较好的焊接、铆接性能及综合机械性能。

槽钢分类
槽钢分普通槽钢和轻型槽钢。热轧普通槽钢的规格为5-40#。经供需双方协议供应的热轧变通槽钢规格为6.5-30#。槽钢主要用于建筑结构、车辆制造、其它工业结构和固定盘柜等,槽钢还常常和工字钢配合使用。
槽钢按形状又可分为4种:冷弯等边槽钢、冷弯不等边槽钢、冷弯内卷边槽钢、冷弯外卷边槽钢。依照钢结构的理论来说,应该是槽钢翼板受力,就是说槽钢应该立着,而不是趴着。
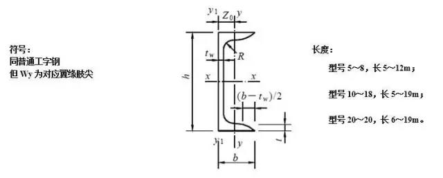
槽钢的规格设定
槽钢的规格主要用高度(h )、腿宽(b )、腰厚度(d )等尺寸来表示,目前国产槽钢规格从5 ―40 号,即相应的高度为5 ―1000px 。
在相同的高度下,轻型槽钢比普通槽钢的腿窄、腰薄、重量轻。18―40号为大型槽钢,5―16号槽钢为中型槽钢。进口槽钢标明实际规格尺寸及相关标准。槽钢的进出口定货一般是在确定相应的碳结钢(或低合金钢)钢号后,以使用中所要求的规格为主。除了规格号以外,槽钢没有特定的成分和性能系列。
槽钢的交货长度分定尺、倍尺二种,并在相应的标准中规定允差值。国产槽钢的长度选择范围根据规格号不同分为5―12m 、5―19m 、6―19m三种。进口槽钢的长度选择范围一般为6―15m 。

槽钢编号
①用国际化学元素符号和本国的符号来表示化学成份,用阿拉伯字母来表示成份含量:
如:中国、俄国 12CrNi3A
②用固定位数数字来表示钢类系列或数字;如:美国、日本、300系、400系、200系;
③用拉丁字母和顺序组成序号,只表示用途。

我国槽钢的进口量大于出口量。分单纯性进口及随同成套工程引进进口等两个渠道。近年我国沿海几大港口(大连、天津、秦皇岛、连云港等)在新建、扩建油、煤、粮等大宗进出口商品自动装卸工程中,随着主体设备引进的同时,大型槽钢的进口量也在增加。主要生产国家和地区为日本、俄罗斯、西欧。出口槽钢主要输往港澳地区。
槽钢的理论重量



角钢
角钢俗称角铁、是两边互相垂直成角形的长条钢材。有等边角钢和不等边角钢之分。等边角钢的两个边宽相等。其规格以边宽×边宽×边厚的毫米数表示。如“∟30×30×3”,即表示边宽为 30毫米、边厚为3毫米的等边角钢。也可用型号表示,型号是边宽的厘米数,如∟3#。型号不表示同一型号中不同边厚的尺寸,因而在合同等单据上将角钢的边宽、边厚尺寸填写齐全,避免单独用型号表示。热轧等边角钢的规格为2#-20#。角钢可按结构的不同需要组成各种不同的受力构件,也可作构件之间的连接件。广泛地用于各种建筑结构和工程结构,如房梁、桥梁、输电塔、起重运输机械、船舶、工业炉、反应塔、容器架以及仓库。

角钢的介绍
角钢可按结构的不同需要组成各种不同的受力构件,也可作构件之间的连接件。广泛地用于各种建筑结构和工程结构,如房梁、桥梁、输电塔、起重运输机械、船舶、工业炉、反应塔、容器架、电缆沟支架、动力配管、母线支架安装、以及仓库货架等。
角钢属建造用碳素结构钢,是简单断面的型钢钢材,主要用于金属构件及厂房的框架等。在使用中要求有较好的可焊性、塑性变形性能及一定的机械强度。生产角钢的原料钢坯为低碳方钢坯,成品角钢为热轧成形、正火或热轧状态交货。
角钢的种类规格
主要分为等边角钢和不等边角钢两类,其中不等边角钢又可分为不等边等厚及不等边不等厚两种。
角钢的规格用边长和边厚的尺寸表示。目前国产角钢规格为2—20号,以边长的厘米数为号数,同一号角钢常有2—7种不同的边厚。进口角钢标明两边的实际尺寸及边厚并注明相关标准。一般边长312.5px以上的为大型角钢,312.5px—125px之间的为中型角钢,边长125px以下的为小型角钢。
进出口角钢的定货一般以使用中所要求的规格为主,其钢号为相应的碳结钢钢号。也是角钢除了规格号之外,没有特定的成分和性能系列。
角钢的交货长度分为定尺、倍尺两种,国产角钢的定尺选择范围根据规格号的不同有3—9m、4—12m、4—19m、6—19m四个范围。日本产角钢的长度选择范围为6—15m。
不等边角钢的截面高度按不等边角钢的长边宽来计算。指断面为角形且两边长不相等的钢材。是角钢中的一种。其边长由25mm×16mm·200mm×l25mm。由热轧轧机轧制而成。一般的不等边角钢规格为:∟50*32--∟200*125厚度为4-18mm。
不等边角钢广泛应用于各种金属结构、桥梁、机械制造与造船业、各种建筑结构和工程结构,如房梁、桥梁、输电塔、起重运输机械、船舶、工业炉、反应塔、容器架以及仓库等。
角钢的机械性能
(1)检验方法:
①拉伸试验方法。常用的标准检验方法有GB/T228-87、JISZ2201、JISZ2241、ASTMA370、ГОСТ1497、BS18、DIN50145等;
②弯曲试验方法。常用的标准检验方法有GB/T232-88、JISZ2204、JISZ2248、ASTME290、ГОСТ14019、DIN50111等。
(2)性能指标:考核角钢性能的检验项目主要为拉伸试验和弯曲试验。指标包括屈服点、抗拉强度、延伸率及弯曲合格等项。
角钢的计算重量
每米重量=0.00785*(边宽+边宽-边厚)*边厚
例如50*5角钢:(50+50-5)*5*0.00785=3.73(此算法只能粗略算出角钢重量,实际以五金手册为准!)


不等边角钢理论重量表


本文链接http://www.shhorse.com/Article/cghjgdfl_1.html
(本文来源于网络,悍马加固材料整理报道,如有侵权,请联系删除。 另,转载请注明出处,否则后果自负。)








