公告
第1199号
住房城乡建筑部关于发布国家标准《建筑抗震设计规范》局部修订的公告
现批准《建筑抗震设计规范》GB50011-2010局部修订的条文,自2016年8月1日起实施。经此次修改的原文条件同时废止。
局部修订的条文和具体内容,将刊登在我部有关网站和近期出版的《工程建筑标准化》刊物上。
住房城乡建筑部
2016年7月7日
具体《建筑抗震设计规范》GB50011-2010局部修订的内容如下,注:下文本规范中下划线表示修改的内容;用黑体字表示的条文为强制性条文,必须严格执行。
修订说明
本次局部修订系根据住房和城乡建设部《关于印发2014年工程建设标准规范制订修订计划的通知》(建标[2013]169号)的要求,由中国建筑科学研究院会同有关的设计、勘察、研究和教学单位对《建筑抗震设计规范》GB 50011-2010进行局部修订而成。
此次局部修订的主要内容包括两个方面:
1 根据《中国地震动参数区划图》GB18306-2015和《中华人民共和国行政区划简册2015》以及民政部发布2015年行政区划变更公报,修订《建筑抗震设计规范》GB50011-2010附录A“我国主要城镇抗震设防烈度、设计基本地震加速度和设计地震分组”。
2 根据《建筑抗震设计规范》GB50011-2010实施以来各方反馈的意见和建议,对部分条款进行文字性调整。修订过程中广泛征求了各方面的意见,对具体修订内容进行了反复的讨论和修改,与相关标准进行协调,最后经审查定稿。
此次局部修订,共涉及一个附录和10条条文的修改,分别为附录A和第3.4.3条、第3.4.4条、第4.4.1条、第6.4.5条、第7.1.7条、第8.2.7条、第8.2.8条、第9.2.16条、第14.3.1条、第14.3.2条。
本规范条文下划线部分为修改的内容;用黑体字表示的条文为强制性条文,必须严格执行。
本次局部修订主编单位:中国建筑科学研究院
本次局部修订的参编单位:中国地震局地球物理研究所、中国建筑标准设计研究院、北京市建筑设计研究院、中国电子工程设计院
主要起草人员:黄世敏、王亚勇、戴国莹、符圣聪、罗开海、李小军、柯长华、郁银泉、娄宇、薛慧立
主要审查人员:徐培福、齐五辉、范重、吴健、郭明田、吴汉福、马东辉、宋波、潘鹏
修订内容
3.4.3 建筑形体及其构件布置的平面、竖向不规则性,应按下列要求划分:
1 混凝土房屋、钢结构房屋和钢-混凝土混合结构房屋存在表3.4.3-1所列举的某项平面不规则类型或表3.4.3-2所列举的某项竖向不规则类型以及类似的不规则类型,应属于不规则的建筑:
表3.4.3-1 平面不规则的主要类型

表3.4.3-2 竖向不规则的主要类型

2 砌体房屋、单层工业厂房、单层空旷房屋、大跨屋盖建筑和地下建筑的平面和竖向不规则性的划分,应符合本规范有关章节的规定。
3 当存在多项不规则或某项不规则超过规定的参考指标较多时,应属于特别不规则的建筑。
3.4.4 建筑形体及其构件布置不规则时,应按下列要求进行地震作用计算和内力调整,并应对薄弱部位采取有效的抗震构造措施:
1 平面不规则而竖向规则的建筑,应采用空间结构计算模型,并应符合下列要求
1) | 扭转不规则时,应计入扭转影响,且在具有偶然偏心的规定水平力作用下,楼层竖向两端抗侧力构件最大的弹性水平位移或和层间位移的最大值与平均值的比值不宜大于1.5分别不宜大于楼层两端弹性水平位移和层间位移平均值的1.5 倍,当最大层间位移远小于规范限值时,可适当放宽; |
2) | 凹凸不规则或楼板局部不连续时,应采用符合楼板平面内实际刚度变化的计算模型;高烈度或不规则程度较大时,宜计入楼板局部变形的影响; |
3) | 平面不对称且凹凸不规则或局部不连续,可根据实际情况分块计算扭转位移比,对扭转较大的部位应采用局部的内力增大系数。 |
2 平面规则而竖向不规则的建筑,应采用空间结构计算模型,刚度小的楼层的地震剪力应乘以不小于1.15的增大系数,其薄弱层应按本规范有关规定进行弹塑性变形分析,并应符合下列要求:
1) | 竖向抗侧力构件不连续时,该构件传递给水平转换构件的地震内力应根据烈度高低和水平转换构件的类型、受力情况、几何尺寸等,乘以1.25~2.0的增大系数; |
2) | 侧向刚度不规则时,相邻层的侧向刚度比应依据其结构类型符合本规范相关章节的规定; |
3) | 楼层承载力突变时,薄弱层抗侧力结构的受剪承载力不应小于相邻上一楼层的 65%。 |
3 平面不规则且竖向不规则的建筑,应根据不规则类型的数量和程度,有针对性地采取不低于本条1、2款要求的各项抗震措施。特别不规则的建筑,应经专门研究,采取更有效的加强措施或对薄弱部位采用相应的抗震性能化设计方法。
4.4.1 承受竖向荷载为主的低承台桩基,当地面下无液化土层,且桩承台周围无淤泥、淤泥质土和地基承载力特征值不大于100kPa的填土时,下列建筑可不进行桩基抗震承载力验算:
1 6度7度和8度时的下列建筑:
1)一般的单层厂房和单层空旷房屋;
2)不超过8层且高度在24m以下的一般民用框架房屋和框架-抗震墙房屋;
3)基础荷载与2)项相当的多层框架厂房和多层混凝土抗震墙房屋。
2 本规范第4.2.1条之1、3款规定且采用桩基的建筑及砌体房屋。
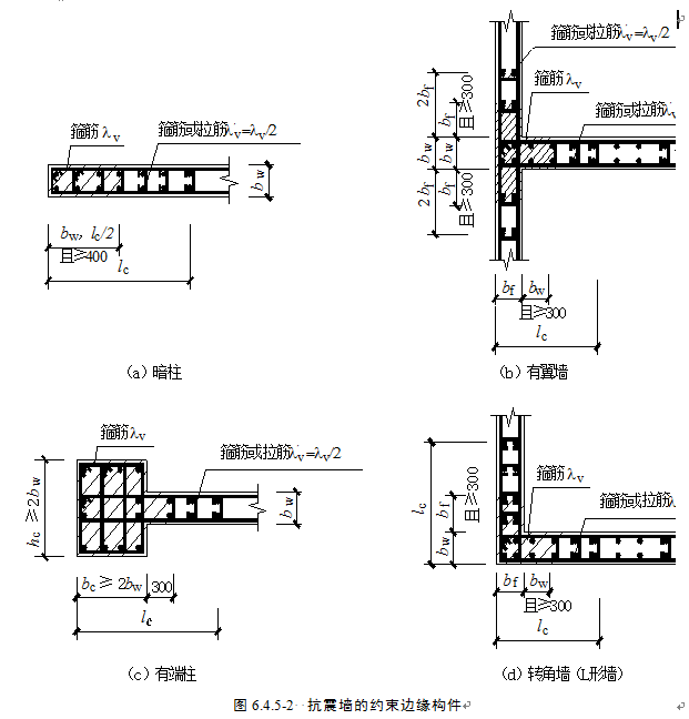
6.4.5 抗震墙两端和洞口两侧应设置边缘构件,边缘构件包括暗柱、端柱和翼墙,并应符合下列要求:
1 对于抗震墙结构,底层墙肢底截面的轴压比不大于表6.4.5-1规定的一、二、三级抗震墙及四级抗震墙,墙肢两端可设置构造边缘构件,构造边缘构件的范围可按图6.4.5-1采用,构造边缘构件的配筋除应满足受弯承载力要求外,并宜符合表6.4.5-2的要求。



2 底层墙肢底截面的轴压比大于表6.4.5-1规定的一、二、三级抗震墙,以及部分框支抗震墙结构的抗震墙,应在底部加强部位及相邻的上一层设置约束边缘构件,在以上的其它部位可设置构造边缘构件。约束边缘构件沿墙肢的长度、配箍特征值、箍筋和纵向钢筋宜符合表6.4.5-3的要求(图6.4.5-2)。


7.1.7 多层砌体房屋的建筑布置和结构体系,应符合下列要求:
1 应优先采用横墙承重或纵横墙共同承重的结构体系。不应采用砌体墙和混凝土墙混合承重的结构体系。
2 纵横向砌体抗震墙的布置应符合下列要求:
1)宜均匀对称,沿平面内宜对齐,沿竖向应上下连续;且纵横向墙体的数量不宜相差过大;
2)平面轮廓凹凸尺寸,不应超过典型尺寸的50%;当超过典型尺寸的25%时,房屋转角处应采取加强措施;
3)楼板局部大洞口的尺寸不宜超过楼板宽度的30%,且不应在墙体两侧同时开洞;
4)房屋错层的楼板高差超过500mm时,应按两层计算;错层部位的墙体应采取加强措施;
5)同一轴线上的窗间墙宽度宜均匀;在满足本规范第7.1.6条要求的前提下,墙面洞口的立面面积,6、7度时不宜大于墙面总面积的55%,8、9度时不宜大于50%;
6)在房屋宽度方向的中部应设置内纵墙,其累计长度不宜小于房屋总长度的60%(高宽比大于4的墙段不计入)。
3 房屋有下列情况之一时宜设置防震缝,缝两侧均应设置墙体,缝宽应根据烈度和房屋高度确定,可采用70mm~100mm:
1)房屋立面高差在6m以上;
2)房屋有错层,且楼板高差大于层高的1/4;
3)各部分结构刚度、质量截然不同;
4 楼梯间不宜设置在房屋的尽端或转角处。
5 不应在房屋转角处设置转角窗。
6 横墙较少、跨度较大的房屋,宜采用现浇钢筋混凝土楼、屋盖。
8.2.7 偏心支撑框架构件的抗震承载力验算,应符合下列规定:
1 消能梁段的受剪承载力应符合下列要求:

2 支撑斜杆与消能梁段连接的承载力不得小于支撑的承载力。若支撑需抵抗弯矩,支撑与梁的连接应按抗压弯连接设计。
8.2.8 钢结构抗侧力构件的连接计算,应符合下列要求:
1 钢结构抗侧力构件连接的承载力设计值,不应小于相连构件的承载力设计值;高强度螺栓连接不得滑移。
2 钢结构抗侧力构件连接的极限承载力应大于相连构件的屈服承载力。
3 梁与柱刚性连接的极限承载力,应按下列公式验算:


9.2.16 柱脚应能可靠传递柱身承载力,宜采用埋入式、插入式或外包式柱脚,6、7度时也可采用外露式柱脚。柱脚设计应符合下列要求:
1 实腹式钢柱采用埋入式、插入式柱脚的埋入深度,应由计算确定,且不得小于钢柱截面高度的2.5倍。
2 格构式柱采用插入式柱脚的埋入深度,应由计算确定,其最小插入深度不得小于单肢截面高度(或外径)的2.5倍,且不得小于柱总宽度的0.5倍。
3 采用外包式柱脚时,实腹H形截面柱的钢筋混凝土外包高度不宜小于2.5倍的钢结构截面高度,箱形截面柱或圆管截面柱的钢筋混凝土外包高度不宜小于3.0倍的钢结构截面高度或圆管截面直径。
4 当采用外露式柱脚时,柱脚极限承载力不宜小于柱截面塑性屈服承载力的1.2倍。柱脚锚栓不宜用以承受柱底水平剪力,柱底剪力应由钢底板与基础间的摩擦力或设置抗剪键及其它措施承担。柱脚锚栓应可靠锚固。
14.3.1 钢筋混凝土地下建筑的抗震构造,应符合下列要求:
1 宜采用现浇结构。需要设置部分装配式构件时,应使其与周围构件有可靠的连接。
2 地下钢筋混凝土框架结构构件的最小尺寸应不低于同类地面结构构件的规定。
3 中柱的纵向钢筋最小总配筋率,应比本规范表6.3.7-1的规定增加0.2%。中柱与梁或顶板、中间楼板及底板连接处的箍筋应加密,其范围和构造与地面框架结构的柱相同。
14.3.2 地下建筑的顶板、底板和楼板,应符合下列要求:
1 宜采用梁板结构。当采用板柱-抗震墙结构时,无柱帽的平板应在柱上板带中设构造暗梁,其构造措施按本规范第6.6.4条第1款的规定采用。
2 对地下连续墙的复合墙体,顶板、底板及各层楼板的负弯矩钢筋至少应有50%锚入地下连续墙,锚入长度按受力计算确定;正弯矩钢筋需锚入内衬,并均不小于规定的锚固长度。
3 楼板开孔时,孔洞宽度应不大于该层楼板宽度的30%;洞口的布置宜使结构质量和刚度的分布仍较均匀、对称,避免局部突变。孔洞周围应设置满足构造要求的边梁或暗梁。
最新产品
同类文章排行
- 《混凝土结构加固设计规范》(GB50367-2013完整版)
- 《建筑结构加固工程施工质量验收规范》GB 50550-2010完整版
- 《工程结构加固材料安全性鉴定技术规范》GB50728-2011完整版
- 《建筑设计防火规范》GB50016-2014(2018版)悍马加固材料
- 《建筑设计防火规范》GB50016-2014局部修订条文-悍马加固材料
最新资讯文章
您的浏览历史








