
为加强对工程结构加固中应用的有关材料及制品的质量控制和技术管理,确保工程结构加固工程的质量和安全,需对工程使用加固材料进行安全性鉴定。工程结构加固材料及制品的应用安全性鉴定结论应为工程加固选用材料的依据。
今日,小悍整理汇总了各类加固材料基本性能的鉴定标准,希望对您有所帮助。
加固材料按变异系数置信上限确定的γ值

以混凝土为基材,粘贴钢材用结构胶基本性能鉴定标准


以混凝土为基材,粘贴纤维复合材用结构胶基本性能鉴定要求


以混凝土为基材,锚固用结构胶基本性能鉴定标准


以混凝土为基材,结构胶长期使用性能鉴定标准


注:若在申请安全性鉴定前已委托有关科研机构完成该品牌结构胶耐长期应力作用能力的验证性试验与合格评定工作,且该评定报告已通过安全性鉴定机构的审查,则允许免做此项检验,而改做楔子快速测定。
以混凝土为基材,结构胶耐介质侵蚀性能鉴定的标准

以混凝土为基材,结构胶性能检验用的人造海水配方

低温固化型结构胶基本性能鉴定要求

湿面施工、水下固化型结构胶基本性能鉴定要求

以钢为基材,粘贴钢加固件的结构胶基本性能鉴定标准


以钢为基材,粘贴碳纤维复合材的结构胶基本性能鉴定标准


以钢为基材,结构胶耐久性能鉴定要求


木材与木材粘接室温固化型结构胶安全性鉴定标准

混凝土裂缝修复胶安全性鉴定标准

注:1.表中各项性能指标均为平均值;
2.干态混凝土指含水率不大于6%的硬化混凝土;湿态混凝土指饱和含水率状态下的硬化混凝土。
底胶安全性鉴定标准

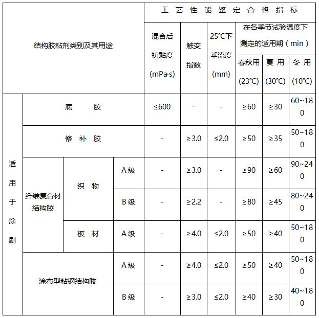
Ⅰ类结构胶工艺性能鉴定标准


注:1.表中的指标,除已注明外,均是在(23±0.5)℃试验温度条件下测定;
2.表中符号ω为裂缝宽度,其单位为mm;
改性环氧基裂缝注浆料安全性鉴定标准

注:表中各项性能指标均为平均值。
改性水泥基裂缝注浆料安全性鉴定标准

注:(–7+28)表示在规定的负温下养护7d再转标准养护28d,余类推。
用于高温环境的改性水泥基注浆料耐热性能指标

裂缝注浆料涉及工程安全的工艺性能标准

结构加固用水泥基灌浆料安全性鉴定标准

注:(–7+28)表示在规定的负温下养护7d再转标准养护28d,余类推。
结构用灌浆料涉及工程安全的工艺性能鉴定标准

注:表中各项目的性能检验,应以灌浆料使用说明书规定的最大用水量制作试样。
用于高温环境的灌浆料耐热性能鉴定标准

聚合物改性水泥砂浆基本性能鉴定标准(MPa)

注:表中指标,除注明为标准值外,均为平均值。
聚合物改性水泥砂浆长期使用性能鉴定标准

碳纤维复合材安全性鉴定标准

注:表中指标,除注明标准值外,均为平均值。
芳纶纤维复合材安全性鉴定标准

注:表中指标,除注明标准值外,均为平均值。
玻璃纤维复合材安全性鉴定标准

注:表中指标,除注明标准值外,均为平均值。
高强钢丝绳安全性鉴定标准

钢丝绳计算用截面面积

合成纤维改性混凝土和砂浆的安全性鉴定
合成纤维的形态识别和几何特征的控制要求

合成纤维安全性鉴定标准

工程结构加固用钢纤维几何参数要求

碳素钢及合金钢锚栓的安全性能指标
注: 性能等级4.8表示:fstk=400;fyk / fstk=0.8。
不锈钢(奥氏体A1、A2、A4)锚栓性能指标

后锚固连接性能鉴定检验用安全系数[γu]
![后锚固连接性能鉴定检验用安全系数[γu] 后锚固连接性能鉴定检验用安全系数[γu]](/UploadFiles/FCK/2018-03/6365670685778732764217997.jpg)
材料性能标准值计算系数k值

结构胶粘剂冲击剥离的韧性评定标准

胶粘剂粘结剪切强度合格指标

注:界面胶不分等级,均应按A级胶执行。
原文链接http://www.shhorse.com/Article/bghdzgcjgjg_1.html
(本文系悍马加固材料原创,转载请注明出处,并于本人联系,如有侵权,后果自负。)









